Reaching Unprecedented Sensitivity in Cross-Spectrum Phase Noise Characterization
By integrating world-leading photonic precision into best-in-class RF instrumentation, Rohde & Schwarz and Menlo Systems have established a new benchmark in phase-noise metrology; one where the device under test (DUT), not the analyzer, sets the performance limit.
With recent advancements in the world of precision metrology and high-frequency electronics, ultra-low phase noise microwave signals have become increasingly relevant. From radar and satellite communication systems to next-generation atomic clocks, time distribution networks, and very long baseline interferometry (VLBI) in radio astronomy, the performance of these systems critically depends on the spectral purity and stability of their microwave oscillators. To characterize and improve these sources, engineers require measurement systems capable of resolving phase noise at levels approaching the fundamental limits of physics.
To overcome the limitations of conventional setups, which are constrained by the intrinsic noise of their reference oscillators, a research team at Rohde & Schwarz, in close collaboration with Menlo Systems, has now developed a state-of-the-art cross-spectrum phase noise measurement setup that achieves record-breaking sensitivity in the 10 GHz range. Leveraging the UMS-Mini ultrastable microwave system from Menlo Systems as a cornerstone reference source, they were able to demonstrate phase noise characterization at unprecedented precision.
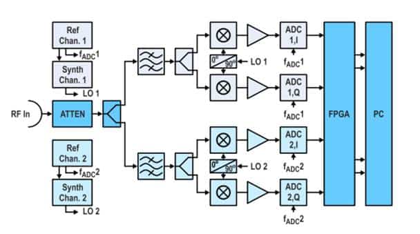
Microwave oscillators, especially those based on photonic techniques, have reached noise floors so low that their characterization has become challenging. Traditional measurement setups using a single reference oscillator are limited by the noise of the reference, which adds to that of the DUT, masking its true performance. To overcome these limitations, the Rohde & Schwarz team implemented a cross-correlation (or cross-spectrum) method, which splits the DUT signal into two paths and allows uncorrelated noise contributions from the two detection channels to be statistically suppressed. As a result, measurement sensitivity is dramatically improved, enabling the direct observation of phase noise levels previously buried in the system noise floor.
At the heart of the experiment are three Menlo Systems Ultrastable Microwave Systems (UMS-Mini) which use a technique known as optical frequency division (OFD), in which an optical frequency comb divides the frequency of an optical reference to generate microwave signals. The frequency comb (an ultrashort-pulsed mode-locked laser) provides a train of evenly spaced lines in the frequency domain. While each of these lines is in the optical realm, the spacing between these lines (or repetition rate) lies in the RF domain. When the frequency comb is locked in its two degrees of freedom, the carrier-envelope offset and one of the comb teeth, and the RF signal of the repetition rate is extracted, this signal now inherits only a fraction (specifically, the inverse number of lines in the comb spectrum) of the instability of the entire comb spectrum. Through this approach, these systems achieve phase noise levels as low as -80 dBc/Hz at 1 Hz offset from a carrier on the order of multiple GHz and a fractional frequency instability of less than 5 × 10⁻¹⁵, making them ideal reference oscillators for cross-spectrum measurements.
The experimental setup used a cross-correlation analysis method, meaning that the system consisted of two identical measurement channels, each with its own (uncorrelated) local reference oscillator. By cross-correlating the outputs of the two channels, the uncorrelated electronic noise from the two reference devices was averaged out, while the true correlated phase noise of the device under test (DUT) remained. The UMS-Mini served in turn as auxiliary oscillator and/or as DUT operating at 10 GHz. This setup enabled characterization of X-band signals with phase noise levels as low as −90 dBc/Hz at 1 Hz and −150 dBc/Hz at 1 kHz offset from the 10 GHz carrier, and frequency stability below 4 × 10−15 for 1 s averaging times, making this setup approximately 30 dB more sensitive than commercial phase noise analyzers close to the carrier.

The results confirmed that the UMS-Mini’s residual phase noise lies well below the measurement system’s own noise floor, making it an ideal reference source for ultra-sensitive phase noise characterization. This allows future experiments to confidently explore even quieter photonic oscillators without the need for further reference upgrades.
The collaboration between Rohde & Schwarz and Menlo Systems exemplifies the growing synergy between traditional RF engineering and optical frequency metrology. By combining expertise in microwave instrumentation with ultrastable laser and frequency comb technology, the team is setting new standards for phase noise measurement and control.
Such precision is not only essential for laboratory research but has also become increasingly relevant for industrial and governmental applications. Next-generation radar systems, 6G communication networks, satellite-based navigation, and gravitational wave detection all depend on stable timing references with fractional frequency instabilities far below 10⁻¹⁵. The ability to generate and measure such signals directly links optical and microwave domains, forming a unified time–frequency infrastructure. The successful demonstration of ultralow-noise cross-spectrum measurements opens new pathways for time and frequency metrology. With continued collaboration between photonics and RF experts, future systems could extend these methods to even higher frequencies or integrate real-time feedback stabilization for live oscillator tuning.
As the field moves toward the femtosecond synchronization of global networks and the optical definition of the second, tools like Menlo’s UMS-Mini and techniques like cross-spectrum phase noise analysis will continue to shape the future of high-precision measurement science.
Author: Emma Caldwell
Original publication: